Gambar Diagram Pengawatan

Oct 13, 2020

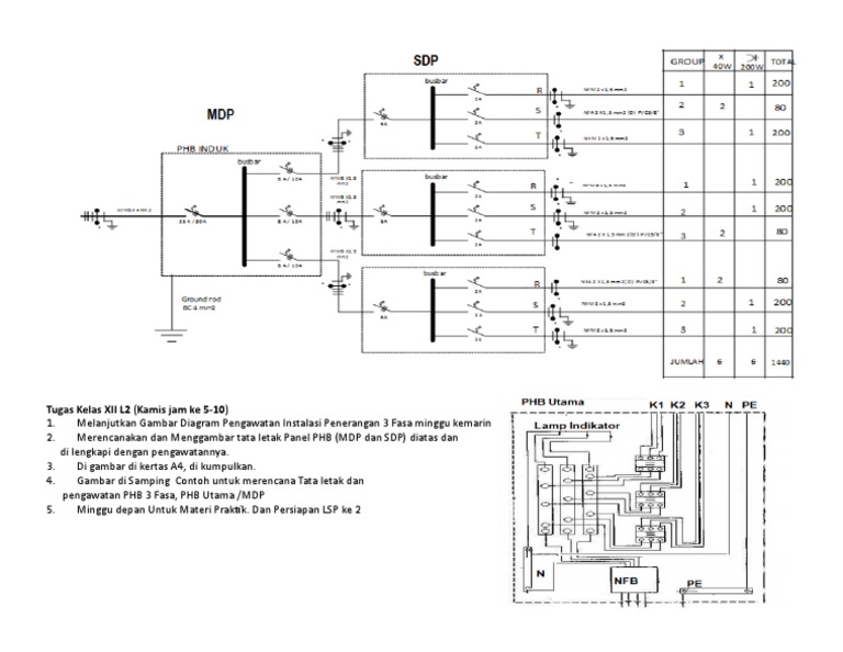
INSTALASI RUMAH TINGGAL dan pengawatan - ppt download diagram pengawatan 1 lampu dan 1 saklar.docx Instalasi Listrik Rumah dengan Memahami Wiring Diagram - Listrik-Praktis LOKASI JENDELA ILMU TERDEKAT: Sistim Pengaturan Satu arah, Saklar Tunggal Diagram Pengawatan Dan Satu Garis Gambar 3 Diagram pengawatan analogi instalasi listrik fase-tiga dan… | Download Scientific Diagram diagram pengawatan 1 lampu dan 1 saklar.docx - [PDF Document] gambar pengawatan Instalasi Pemasangan saklar Ganda dengan piting lampu sesuai dengan aturan PUIL | Lampu ILMU ELEKTRO: INSTALASI LISTRIK Cara Memasang Saklar Silang dengan Saklar Tukar | egsean.com gambar pengawatan Instalasi Pemasangan saklar Ganda dengan piting lampu sesuai dengan aturan PUIL | Lampu, Gambar INSTALASI RUMAH TINGGAL dan pengawatan - ppt download 1 saklar tunggal 2 lampu ( gambar bagan dan pengawatan) - YouTube 6 wiring diagram diagram-pemipaan-listrik » Inovasi Dunia Konstruksi dan Bangunan Terkini LOKASI JENDELA ILMU TERDEKAT: Diagram lokasi, Diagram pengawatan , Diagram Kerja Jobsheet Pengawatan 6 wiring diagram Diagram Pengawatan Saklar Tukar Archives | egsean.com Instalasi Rumah Tinggal Proyek A.B Sudomo (Bengkel) - TeachMeSoft Perencanaan Instalasi Listrik Rumah | ariefsullivan Diagram Pengawatan APP 1 Fasa & 3 Fasa Sebutkan bentuk-bentuk gambar pada instalasi listrik - Teknik Elektro INSTALASI PENERANGAN LISTRIK SATU FASA SATU GRUP | Berbagi Ilmu sepenuhnya … cara memasangan saklar tukar / Hotel pada lampu - Wijdan Kelistrikan PDF) Diagram Instalasi Listrik | Fajar Michael - Academia.edu INSTALASI RUMAH TINGGAL dan pengawatan - ppt download Cara Memasang Saklar Seri Beserta Diagram Pengawatan | egsean.com DIAGRAM] Wiring Diagram Rumah FULL Version HD Quality Diagram Rumah - 148690.DIAGRAM.FIMENOR.FR TAHAPAN PERANCANGAN INSTALASI LISTRIK RUMAH ??Diagram Pemipaan . 5 Diagram satu garis 1 fase 2 group Rekap beban dan arus . 6 Denah Rumah 2 lantai. 7 . 8 Diagram satu garis . 9 . 10 - [PDF Document] PPT) DIAGRAM PENGAWATAN APP | Inengah Setiawan - Academia.edu LOKASI JENDELA ILMU TERDEKAT: Sistim Pengaturan Penerangan Saklar Seri 6 wiring diagram 4.Diagram Pengawatan App 2.Diagram Pengawatan Diagram satu garis instalasi listrik pada bangunan / gedung gambar bagan Instalasi Pemasangan saklar Ganda dengan piting lampu sesuai dengan aturan PUIL | Lampu, Bagan BD6059E Penerangan Gambar Single Line Wiring Diagram | Wiring Resources Mengenal LINE DIAGRAM saklar tunggal – CARA MUDAH MENGERTI LISTRIK L2. instalasi listrik Teknik Listrik: Teknik : Diagram Pengawatan KWH Meter Diagram Pengawatan Meter Kwh 1 Phasa INSTALASI RUMAH TINGGAL dan pengawatan - ppt download rangkaian saklar silang 1/14 1.Instalasi pengukuran langsung. 1.1. Diagram pengawatan meter Kwh 1 Phasa 6 wiring diagram Instalasi Kelistrikan: diagram pengawatan rumah Instalasi Listrik Rumah Dengan Memahami Wiring Diagram Rpp rencana instalasi penerangan Electpedia: Instalasi Listrik Rumah 1 Phase 6 wiring diagram 4.Diagram Pengawatan App 6 wiring diagram Contoh Wiring Diagram Instalasi Listrik Rumah Diagram Base Website Listrik Rumah - WIRINGDIAGRAMSUB.FRANCOSPHERE.FR KEHIDUPAN: Pemasangan Instalasi Listrik Rumah Tinggal Dua lantai Tugas Kelas XII L2 Merencanakan PHB Instalasi Penerangan 3 Fasa Diagram Instalasi Penerangan 3 lampu hidup mati berurutan (saklar tunggal dan tukar) - Hobby Teknik Listrik PENGAWATAN & INSTALASI APP.ppt rangkaian saklar silang Pemasangan Instalasi Listrik Rumah Tinggal Tipe 54 BAB I PENDAHULUAN. mengikuti perkembangannya.dalam kehidupan sehari hari kita tidak pernah lepas - PDF Download Gratis Cara Merencanakan Instalasi Lampu Penerangan Menggunakan GTL (Gambar Teknik Listrik) - Hobby Teknik Listrik Sebutkan bentuk-bentuk gambar pada instalasi listrik - Teknik Elektro Wiring Diagram Listrik Rumah Diagram Base Website Listrik Rumah - AIRPLANEDIAGRAM.GRAFIKCUBE.FR Fungsi Pengunci dan pengaman kontaktor magnet pada sistem kontrol motor 3 phasa | Listrik, Magnet JOB SHEET SMKN NUSAWUNGU - gelap terang dapat dipahami Instalasi Pemipaan dan pengawatan KWH Meter,… - [PDF Document] 2.Diagram Pengawatan HANDOUT PEMASANGAN Kwh meter 1 fasa.pdf Rangkaian Star Delta Motor Listrik 3 Fasa Menggunakan PLC - Listrik-Praktis Kegiatan Belajar 4 : Alat Pengukur dan Pembatas (APP) Capaian Pembelajaran Mata Kegiatan Memahami alat pengukur dan pembatas (APP) Sub Capaian - PDF Free Download DIAGRAM PENGAWATAN RANGKAIAN PENGUNCI MOTOR LISTRIK 3 FASA #SAMALI - YouTube 2CF69B Penerangan Gambar Single Line Wiring Diagram | Wiring Resources Wiring Diagram Lampu Tangga Diagram Base Website Lampu Tangga - DIAGRAMCOMPOUNDMICROSCOPE.ALTJ.FR gambarkan instalasi, diagram garis, diagram pengawatan:A. Saklar tunggal melayani 1 lampu. B. - Brainly.co.id Instalasi Penerangan Saklar Seri – Sains, Entertaining, and Technology Gambar 3 Diagram pengawatan analogi instalasi listrik fase-tiga dan… | Download Scientific Diagram cara instalasi listrik yang Pemasangan Satu Lampu yang Dikontrol oleh Dua Sakelar Tukar – Sains, Entertaining, and Technology DIAGRAM] Wiring Diagram Instalasi Listrik Rumah FULL Version HD Quality Listrik Rumah - CORONADELVISTA.DATAJOB2013.FR F90B2 Penerangan Gambar Single Line Wiring Diagram | Wiring Resources DIAGRAM] Wiring Diagram Motor Listrik 3 Phase FULL Version HD Quality 3 Phase - DRESSWAREHOUSE.DELI-MULTISERVICES.FR Star Delta Wiring Diagram - Aplikasi di Google Play 1.tuliskan kegunaan diagram garis ganda dan garis tunggal dalam denah perincian dan keterangan2. - Brainly.co.id Memasang PHB (Panel Hubung Bagi) | Dunia Listrik Blog Rangkaian Star Delta Auto Manual | All Of Life DIAGRAM] Wiring Diagram Lampu Tangga FULL Version HD Quality Lampu Tangga - AUTOCATS.INK3.IT PELATIHAN PERANCANGAN INSTALASI LISTRIK BANGUNAN SEDERHANA Pengenalan Sakelar Pada Bangunan Sederhana – Sistem Informasi PBK BBPLK Serang | SIPBK BBPLK Serang Sebutkan bentuk-bentuk gambar pada instalasi listrik - Teknik Elektro Wiring Diagram Instalasi Listrik Rumah Diagram Base Website Listrik Rumah - FREEFAMILYTREEDIAGRAMS.ALTJ.FR Praktek Instalasi Penerangan Pabrik - TeachMeSoft Gambar 5 Diagram skematis dan rangkaian elektronika untuk penggerak… | Download Scientific Diagram Teknik | Santi Sinta - Academia.edu How to work star Delta starter. #star Delta daigram. #star Delta working principal. - YouTube Instalasi Listrik 3 Phase dan Perencanaannya disertai Gambar Ilustrasi Contoh Wiring Diagram Instalasi Listrik Rumah Diagram Base Website Listrik Rumah - WIRINGDIAGRAMSUB.FRANCOSPHERE.FR Circuit Diagram Kipas Angin. kontruksi kipas angin sistem kelistrikan dan bagian. circuit diagram kipas angin 1 wiring diagram source. diagram pengawatan kipas angin computer and electric. temperatur controlled fan pengontrol suhu kipas INSTALASI RUMAH TINGGAL dan pengawatan - ppt download DIAGRAM] Wiring Diagram Instalasi Rumah FULL Version HD Quality Instalasi Rumah - CORONADELVISTA.DATAJOB2013.FR 01. DIAGRAM PENGAWATAN DAN SATU GARIS.ppt - DIAGRAM PENGAWATAN DAN SATU GARIS INSTALASI LISTRIK Instalasi listrik di Indonesia diselenggarakan | Course Hero

Gambar Diagram Saklar Tunggal

Gambar Diagram Aliran Air Pendingin Pada Mesin Mobil Berikut Nama Komponennya